Алюминиевые профили всех типов и форм
Полная подборка алюминиевых профилей всех видов и форм
Алюминиевые профили — это незаменимые компоненты в современном строительстве, отделочных работах и дизайне интерьеров. Они сочетают легкость, прочность и устойчивость к коррозии, что делает их идеальными для множества применений. В данном разделе каталога представлена большая подборка алюминиевых профилей, включая уголки, трубы, П-образные, Г-образные, Z-образные, F-образные и Т-образные формы, а также полосы, раскладки для плитки, гибкие и противоскользящие профили с рифлением и закладные элементы. Каждый из этих типов профилей обладает своими уникальными свойствами и предназначен для различных задач, о которых мы вам расскажем ниже.
Преимущества
Алюминиевые профили завоевали популярность благодаря следующим ключевым преимуществам:
- Легкость и прочность: Алюминий — это легкий металл, но при этом обладает высокой прочностью, что делает его отличным выбором для конструкций, требующих надежности при минимальном весе.
- Коррозионная стойкость: Алюминиевые изделия устойчивы к воздействию влаги и химических сред, что существенно продлевает срок их службы.
- Гибкость в обработке: Алюминиевые профили легко поддаются резке, гибке и сварке, что дает возможность использования их в самых разнообразных проектах.
- Современный внешний вид: Алюминий выглядит аккуратно и эстетично, что делает его востребованным в дизайнерских и архитектурных решениях как для интерьера, так и для экстерьера.
- Экологическая безопасность: Алюминий легко поддается переработке, что делает его экологически чистым и безопасным материалом.
Основные виды алюминиевых профилей
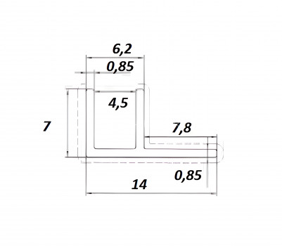
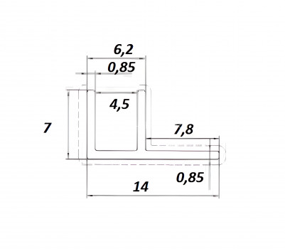
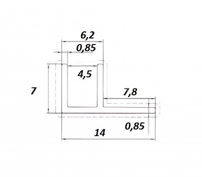
- Алюминиевые уголки
Уголки из алюминия — это универсальные элементы, которые используют для усиления углов конструкций, защиты краев и в декоративных целях. Они придают жесткость и устойчивость различным сооружениям, что делает их незаменимыми в строительстве, мебельной индустрии и отделке помещений. - Алюминиевые трубы
Алюминиевые трубы, как круглые, так и квадратные, находят применение в системах водоснабжения, каркасах и опорных конструкциях. Их высокая устойчивость к коррозии и механическим воздействиям делает эти трубы надежными и долговечными элементами. - П-образные
Эти профили используют для создания рам, каркасов и укрепления стыков. Они находят широкое применение в строительных и отделочных работах, обеспечивая надежное крепление и защиту краев конструкций. - Г-образные
Г-образные профили применяются для формирования угловых соединений. Они обеспечивают жесткость и могут использоваться как в конструктивных, так и декоративных целях. - Z-образные
Эти профили используются для сложных соединений и усиления конструкций, обеспечивая высокую прочность и устойчивость к нагрузкам. - F-образные
F-образные профили служат для декоративных и функциональных целей, помогая аккуратно закрепить материалы и придавая конструкции законченный вид. - Т-образные
Эти профили применяются для оформления стыков между панелями, плиткой, ламинатом, обеспечивая их жесткость и аккуратный внешний вид. Они востребованы как в строительных, так и в дизайнерских проектах. - Алюминиевые полосы
Полосы из алюминия — это универсальный материал, который используется в каркасных конструкциях, декоре и укреплении различных элементов. - Раскладка для углов плитки
Алюминиевая раскладка применяется для защиты и отделки внешних и внутренних углов плитки. Она помогает создать аккуратные и долговечные швы, защищая их от механических повреждений. - Гибкие профиля
Гибкие профили из алюминия позволяют создавать криволинейные конструкции, что расширяет возможности для их использования в дизайнерских и функциональных решениях. - Противоскользящие и с рифлением
Эти профили обеспечивают безопасность на поверхностях, подверженных скольжению, таких как лестницы и пандусы. Рифленая поверхность предотвращает скольжение, что снижает риск падений и повышает уровень безопасности. - Закладные
Закладные профили используются для создания скрытых креплений, обеспечивая надежное и долговечное соединение в конструкциях.
Применение алюминиевых профилей
Алюминиевые профили применяются в следующих областях:
- Строительство: Создание каркасных конструкций, лестниц, оконных и дверных рам.
- Отделка и дизайн: Использование в интерьерных и экстерьерных решениях для декорирования и функционального оформления.
- Промышленность: Применение в машиностроении, производстве оборудования и инженерных систем.
- Безопасность: Использование противоскользящих профилей для создания безопасных поверхностей.
Где купить в Москве?
Если вы ищете качественные алюминиевые профили, посетите наш интернет-магазин. Мы предлагаем широкий ассортимент товаров по выгодным ценам с доставкой по Москве и регионам. Удобный интерфейс сайта позволит вам быстро найти нужные товары и оформить заказ с гарантией качества.
















































































